设为首页
|
加入收藏
网站首页
公司简介
企业介绍
资质证书
生产设备
新闻动态
公司新闻
行业动态
产品展示
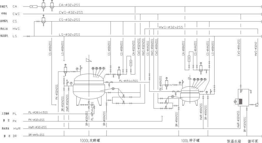
发酵系统
植物、中药提取设备
制药工程(西药设备)
食品设备
制水设备
不锈钢排标制品
不锈钢流体管件
工程案例
发酵系统
植物、中药提取设备
制药工程(西药设备)
真空低温干燥设备
萃取、分离设备
高新类设备
压力容器及辅助设备
联系我们
联系我们
产品展示
发酵系统
植物、中药提取设备
制药工程(西药设备)
食品设备
夹层锅
冷热缸
搅拌罐
配料罐
无菌储罐
双缸油炸锅
单缸油炸锅
手动行星搅拌炒锅
蒸汽加热搅拌炒锅
燃煤加热搅拌炒锅
不锈钢滚筒炒锅
制水设备
过滤器
反渗透
纯净水成套设备
矿泉水成套设备
不锈钢排标制品
不锈钢传递窗
不锈钢洁手池
不锈钢鞋柜
不锈钢更衣柜
不锈钢推车
不锈钢流体管件
卫生级管件
卫生级阀门
沟槽系列
工业管件
联系我们
全国统一客服热线
13996267638
联系人:李静
电 话:13996267638
公司邮箱:835800036@qq.com
地址:重庆江津双福新区九江大道68号坤煌国际产业园5栋5-1、5-2
当前位置 >>
首页
>>
产品展示
52
2017/4/19 23:45:58
上一条:86
下一条:51